Etusivu

Lietelantalaitteet

Kuivalantalaitteet
Kuivalantalaitteet

Traktorin työkoneet

Ruuvikuljettimet

Sadetuslaitteet

Tie & Ympäristö

Tarvikkeet

Pikaliittimet
Valducci

Bauer
Perrot

Letkut
Klemmarit
Luistiventtiilit
3-tie venttiilit
Varoventtiilit
Painemittarit
Uimuriventtiilit
Nesteenerotin
Tarkistuslinssit
Jarrusylinterit
Vetosilmukat
Jousiteräspiikit

Esitteet
Myynti
Yritys
Historia
Palaute
Linkit

 

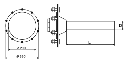
Pyörän napa-akselit

D L   Kantavuus
25 km/h 40 km/h
Ø 90mm ~ 500mm ilman jarrua 4000 kg 3350 kg
Ø 90mm ~ 500mm jarrulla 4000 kg 3350 kg
100 x 100mm ~ 600mm ilman jarrua 5500 kg 4750 kg
  100 x 100mm ~ 600mm jarrulla 5500 kg 4750 kg
  110 x 110mm ~ 600mm jarrulla 5750 kg 5000 kg
Kantavuudet eri nopeuksilla (keinutelivaunu), kun vanteen off-set on 0 (nolla).